
制造業是實體經濟的主體,是國家經濟命脈所系
當下,全球都在強調制造業的重要性
我國更是將制造業轉型升級作為長期的發展戰略
掃描電鏡作為一種強大的分析儀器
在提升制造業產品創新能力與產品質量上將大有作為

鎢燈絲掃描電鏡SEM2000
但在實際應用中
常有用戶擔憂電鏡很“嬌氣”
容易損壞,使用操作復雜,需要花較長的時間才能上手
隱形成本很高!
國儀量子電鏡團隊針對這一痛點
以“人人都敢用,人人都能用”的目標打造了
“操作不挑人,簡約不簡單”的
鎢燈絲掃描電鏡SEM2000
SEM2000操作界面簡潔
瞬間上手,皮實耐用,故障率低
即便是新手也能輕松使用
SEM2000自動化程度高
一鍵成像、自動聚焦、自動消像散、自動對比度功能
大大簡化調試參數的步驟
SEM2000具有完備的防碰撞流程
可以避免樣品碰傷物鏡極靴、二次電子探測器等零部件
簡約而不簡單
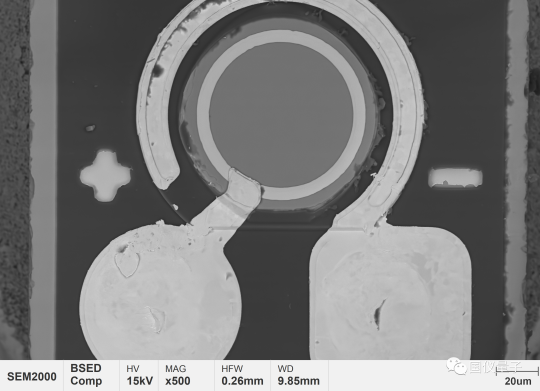
以下是經過短時間培訓后的新手拍出的圖片
圖像清晰,對比度好,景深大






如果您希望降低使用成本,提高操作效率
如果您從來沒有使用過電鏡,想要嘗試掃描電鏡
如果您希望工具可以更簡單
那SEM2000將會是您好的選擇!
